153 5808 4488
產品中心

| 容器尺寸 | φ50-150mm,H 50-300mm |
| 罐裝重量 | 10 – 5000g |
| 罐裝精度 | ≤ 500g,≤±1%;>500g,≤±0.5% |
| 罐裝速度 | 15 - 40 bottles/min |
| 電源 | 3P AC208-415V 50/60Hz |
| 壓縮空氣 | 6 kg/cm2 0.05m3/min |
| 整機功率 | 1.6Kw |
| 整機重量 | 300kg |
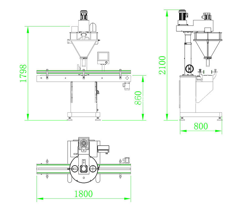
| 整機體積 | 2100×800×1800mm |
| 料箱容積 | 50L |
| 序號 | 名稱 | 型號規格 | 產地品牌 |
| 1 | 不銹鋼 | SUS304 | 中國 |
| 2 | PLC | 臺灣臺達 | |
| 3 | 觸摸屏 | 臺灣臺達 | |
| 4 | 充填伺服馬達 | ECMA-C20807RS | 臺灣臺達 |
| 5 | 充填伺服驅動器 | B2721BW3450680 | 臺灣臺達 |
| 8 | 攪拌減速電機 | 400W | 臺灣萬鑫 |
| 9 | 電磁閥 | 臺灣亞德客 | |
| 10 | 氣缸 | SDA40X15 | 臺灣亞德克 |
| 11 | 過濾調壓器 | AFR-2000 | 臺灣亞德克 |
| 12 | 小功率電機 | 120W 1300rpm Model: 90YS120GY38 | 臺灣JSCC |
| 13 | 減速機 | Ratio:1:36,Model:90GK(F)36RC | 臺灣JSCC |
| 14 | 電源開關 | HZ5BGS | 溫州長信 |
| 15 | 斷路器 | 施耐德 | |
| 16 | 急停開關 | 施耐德 | |
| 17 | 濾波器 | ZYH-EB-10A | 北京中宇豪 |
| 18 | 交流接觸器 | CJX2 1210 | 溫州正泰 |
| 19 | 熱繼電器 | NR2-25 | 溫州正泰 |
| 20 | 直流繼電器 | MY2NJ 24DC | 日本歐姆龍 |
| 21 | 開關電源 | 常州誠聯 | |
| 22 | 光電傳感器 | BR100-DDT | 韓國奧托尼克斯 |
| 23 | 料位傳感器 | CR30-15DN | 韓國奧托尼克斯 |

相關產品